1
/
of
2
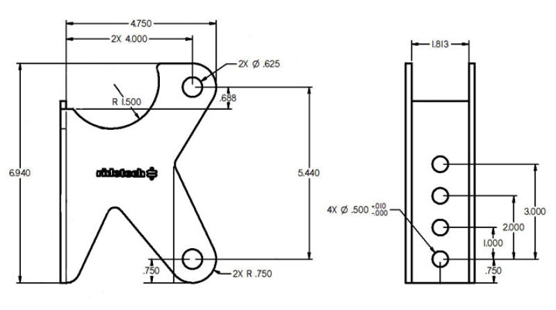
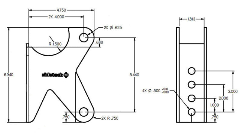
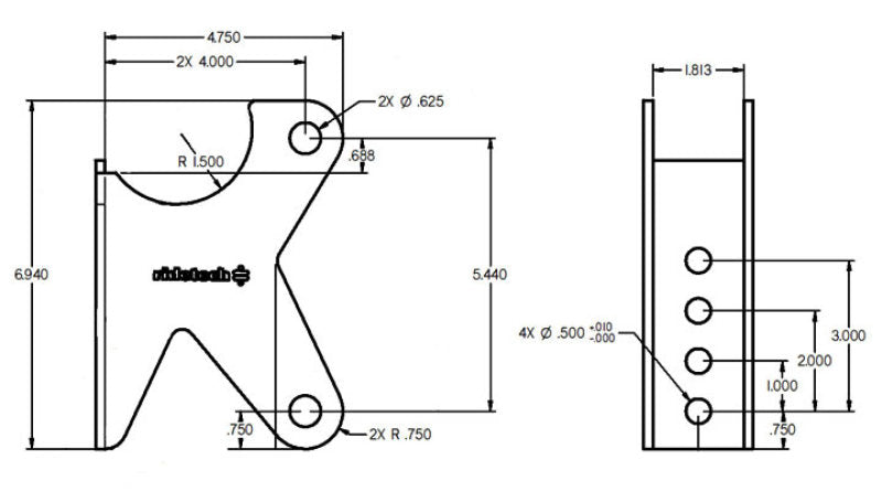
Ridetech Parallel 4 Link Axle Bracket
Ridetech Parallel 4 Link Axle Bracket
SKU:RID90000160
Regular price
$35.00 USD
Regular price
Sale price
$35.00 USD
Unit price
/
per
Couldn't load pickup availability
Parallel 4-Link axle bracket, uncoated. For 3" axle housing.
Share

